弗戈工业传媒
  • 行业
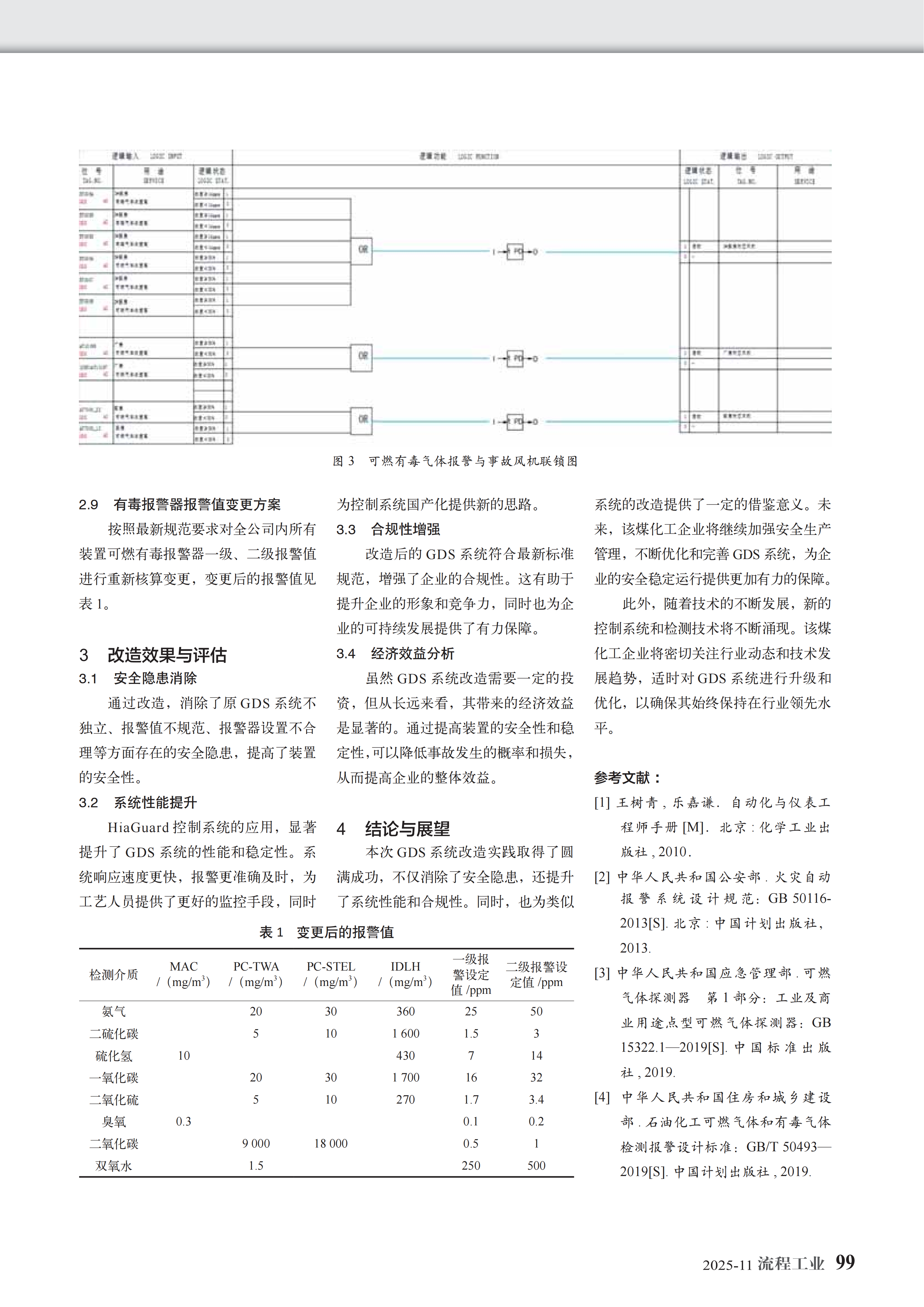
    化工 汽车 金属加工 物流 自动化与驱动 制药 实验分析
  • 会议
  • 数据
  • 视频
  • 直播
  • 课程
  • 展会
  • 登录 丨 注册
  • {nickname} 用户中心 [ 安全退出 ]
上一页 下一页

简介

流程工业-25-11-工艺改进与绿色生产
流程工业-25-11-工艺改进与绿色生产
年份:2025年 / 期数:第 11 期
总期数:总 12 期
点赞 0 收藏
分享到
图片目录 文字目录 收藏杂志 往期杂志

图片目录