该图集自2022年5月1日起正式实施,替代了旧版的07K201图集。它主要服务于新建、改建和扩建的工程项目。
其技术范围明确,主要针对水和蒸汽两种工作介质,并对压力、温度及驱动方式给出了具体限定。
图集系统性地涵盖了工业民用建筑暖通空调系统中12大类常用阀门,可归纳为四个主要类别:
关断类:如闸阀、截止阀、蝶阀、球阀等,用于管路的通断控制。
安全保护类:主要是安全阀,用于系统超压保护。
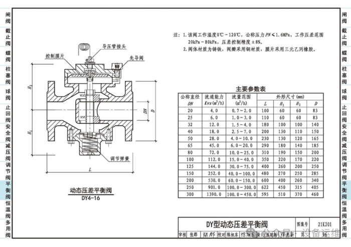
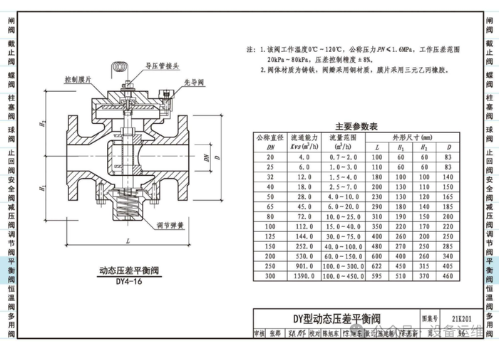
调节控制类:包括调节阀、平衡阀、减压阀等,用于精确调节系统流量、压力或温度。
专用与多用类:如散热器恒温控制阀(恒温阀)以及集成多种功能的多用阀。
对于设计、施工、监理等专业人员,这本图集的核心价值在于:
内容全面且具体:不仅提供了各类阀门的选用说明、技术参数和计算要点,更包含了详细的安装示意图与施工要求,具有很强的实操指导性。
技术标准权威:编制依据了多项现行国家工程建设标准规范,确保了内容的规范性和权威性。
编排清晰实用:图集通过详图与说明相结合的方式,方便工程技术人员快速查阅和准确应用。总而言之,《21K201:管道阀门选用与安装》是建筑暖通空调系统管道工程中,关于阀门选型与安装的关键技术依据和实用工具手册。
以下为国标图集全文
版权声明∶转载流程工业网内容,请在正文上方注明来源和作者,且不得对内容作实质性改动;微信公众号、头条号等新媒体平台,转载请联系授权。邮箱∶process@vogel.com.cn,电话:16601379371(同微信)
精馏技术是工业主流传质分离方法,借反复气化冷凝实现混合物提纯,核心设备含精馏塔等,分添加物(共沸、萃取等)、复合(反应精馏等)、极端条件(分子、真空)三类,广泛用于制药、石化等领域。
2025-11-26 化工工程师
2026-03-25
2026-04-02
2026-04-07
2026-04-08
2026-04-01
2026-03-30
2026-04-07
工业是节能降碳的重点领域,也是实现“3060”碳达峰碳中和目标的关键。党的二十大报告明确提出,积极稳妥推进碳达峰碳中和,推进降碳、减污、扩绿、增长,完善能源消耗总量和强度调控,重点控制化石能源消费,逐步转向碳排放总量和强度“双控”制度。为了回顾 2023 年工业企业在节能降碳、绿色可持续发展方面的成就,了解当下的创新技术和应用,《流程工业》编辑部在 2024 年第一期特别策划了“工业碳中和”专题,邀请了一批国内外优秀的工业企业分享观点和产业实践,为广大的流程工业企业提供绿色可持续发展的启迪和借鉴。
作者:本刊编辑部
评论
加载更多