催化裂化装置由于装置特性需空气对催化剂进行再生,燃烧再生过程中烟气将原料中硫氮等元素氧化还原成氮氧化物(NOx)、硫氧化物(SOx),同时携带部分破碎催化剂粉尘至烟气中,造成空气中毒、酸雨、蓝烟以及光学烟雾等一系列环境问题。本次装置试用某环保公司新型除酸脱硝还原剂并衍生其除酸脱硝工艺(SNAR),试用结果表明:本装置在投用此工艺助剂后,再生烟气中颗粒物含量有下降趋势,硫氧化物(SOx)变化较小,氮氧化物(NOx)浓度和SCR段脱硝单元喷氨用量、氨逃逸大幅下降,效果较为明显。
本文刊登于PROCESS《流程工业》2024年第9期,原文标题《3.0Mt/a蜡油催化裂化装置烟气SNAR技术试用》。本文作者石梓良、李铁健、王子健,供职于华锦阿美石油化工有限公司;康浩、俞舒然供职于浙江石油化工有限公司。
本文被引格式 [1]石梓良,李铁健,康浩,等.3.0Mt/a蜡油催化裂化装置烟气SNAR技术试用[J].流程工业,2024,(09):56-59.欢迎引用。
浙江石油化工有限公司炼油芳烃催化部2#300万t/a蜡油催化裂化装置反应部分采用石科院MIP-CGP工艺,沉降器提升管出口快分系统采用中国石油大学的SVQS技术,再生部分采用中石化洛阳工程有限公司设计的快速床-湍流床两段串联前置烧焦罐富氧再生技术。
工艺流程:690℃再生烟气自再生器出口经三级旋风分离器后(设计除去颗粒物,浓度降至150mg/Nm³以下),经过烟机做功后进入余热锅炉,在余热锅炉中经过过热段的饱和蒸汽进行冷却,经过蒸发段发汽后,通过烟气脱硝单元除去氮氧化物(设计氮氧化物低于50mg/Nm³),经二级蒸发段及省煤段后进入烟气脱硫塔。
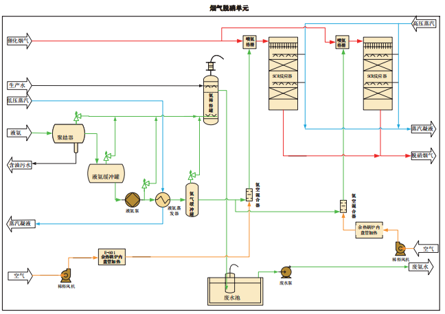
本装置烟气脱硝部分采用北京美斯顿公司的SCR脱硝技术,如图1所示,烟气脱硫部分采用美国贝尔格公司EDV®5000烟气脱硫除尘技术如图2所示。
图1 SCR 脱硝技术流程
图2 烟气脱硫除尘技术流程
基于传统湿法脱硫工艺易脱除SO2而不易脱除SO3的技术现状,将SO3在进入烟气脱硫工序前变为易脱除的SO2,同时研究实施这一设想的还原剂及其还原反应工艺。经过对反应机理的深入研究,还原剂氧化还原法能突破传统酸碱中和、湿法脱硫的工艺束缚,形成粉末还原剂还原脱除SO3的新工艺。此外,在脱除SO3的同时,还原剂还可将烟气中部分NOx还原为N2、H2O等清洁成分,具有明显的脱硝效果。还原剂为固体颗粒状,由撬装加注罐经过输送风输送至再生器烟气出口处,由粉末喷射装置喷入烟气管道预留口位置,固体颗粒经690℃烟气加热后变为气态,与烟气内物质发生反应。SNAR除酸脱硝还原剂质量见表1,SNAR除酸脱硝撬装注入点如图3所示。
表1 SNAR 除酸脱硝还原剂质量
SNAR反应机理:SO3+非氨基除酸脱硝还原剂→SO2+N2+CO2+H2O
NOx+非氨基除酸脱硝还原剂→N2+CO2+H2O
图3 SNAR 除酸脱硝撬装注入点
对比采样主要采集数据为烟气中氧气、CO、CO2、NOx以及SO2,离线检测SO3含量,同时联系第三方进行颗粒物浓度检测,根据与设计值进行对比分析,助剂喷入前后的对比分析,判断此项技术对目标产品的选择性,烟气脱硫塔运行工况见表2,在此工况下烟气出口在线分析仪表均在控制范围内(颗粒物含量≤30mg/Nm3,SO2含量≤50mg/Nm3,NOx≤100mg/Nm3)。
表2 烟气脱硫塔设计工况
浙江省环境检测监督站对二期工程环保验收时,2#300万t/a蜡油催化裂化装置烟气进行人工采样比对,颗粒物分析数据不稳定,烟气流速波动较大,颗粒物检测结果约50~120mg/Nm3,超过标准国家标准≤30mg/Nm3,在线仪表显示值为<10mg/Nm3,造成装置环保验收未通过。
初步判断为第三方对颗粒物组分化验分析时,发现主要成分是SO42-,烟气中雾滴夹带硫酸盐等组分(包括硫酸钠、亚硫酸钠等可溶解性盐、硫酸氨和硫酸氢氨等铵盐气溶胶、SO3气溶胶,SO3常温状态下为无色透明油状液体,与水化合生成硫酸水溶液)被滤膜捕获,造成颗粒物浓度超标。本装置于2023年7月14日进行空白样标定与SNAR撬块投用,分两批次6次进行第三方采样,同时对比在线仪表分析,为保证采样准确采样口使用临近采样口,采样情况见表3,2023年7月16日余热锅炉入口NOx与烟气外排NOx趋势如图4所示。
表3 7 月16日第三方颗粒物检测数据(单位 :mg/m3)
图4 7 月16日余热锅炉入口NOx与烟气外排NOx趋势
据表3趋势所示,装置负荷为84%时投用SNAR撬块助剂,投用后余热锅炉入口NOx下降明显,维持在均值10mg/Nm3左右,此时SCR段喷氨已停用。通过第三方对颗粒物含量的分析,加剂前后烟气中颗粒物含量降低明显,观察投用前后烟囱烟气拖尾情况,对比蓝烟有明显改善,如图5所示。同时安排SNAR厂家青岛某环保公司进行硫酸雾与SO3实测,佐证此次加剂效果见表4,烟气洗涤塔采样口分布如图6所示,在加剂前后硫酸气溶胶与SO3均下降较明显。初步判断SNAR对降低NOx、盐类气溶胶有一定作用。
图5 SNAR 投用撬块后烟气前后对比
表4 SNAR 厂家测量硫酸雾与三氧化硫分析结果(单位 :mg/m3)
图6 烟气洗涤塔采样口分布
为确保其试用状态准确,于2023年7月24日与8月8日邀请第三方检测机构检测两次外排烟气,进行大数据分析,见表5、表6,通过2日的采样对比可以看出,在SNAR投用前后对颗粒物影响有正向作用,三家检测单位平均值只有一家检测机构略高于环保指标,由于检测仪器与检测方式的偏差,侧面反映助剂可以降低烟气中颗粒物含量。
表5 7 月24 日第三方颗粒物检测数据(单位 :mg/m3)
表6 8 月8 日第三方颗粒物检测数据(投用SNAR 后测量)(单位 :mg/m3)
试用期间当使用SNAR助剂时,脱硝段出口氨逃逸会升高,且随着助剂量的使用增加而增大,如图7列举在7月14日、7月24日使用SNAR助剂时氨逃逸变化情况,在喷剂期间达到10ppm,判断为助剂过量加注,助剂中含有微量的酰胺物质,部分助剂未发生反应造成氨逃逸检测值超标。
图7 7月14日与7月24日试用时SCR段后氨逃逸趋势
对于2#300万t/a蜡油催化装置烟气环保指标的技术攻关,本装置设计进料为蜡油加氢处理后蜡油,在实际生产过程中全厂物料回炼脱硫渣油,造成再生部分调整频繁与设计工况偏差较大,主风量与实际处理量相差较大,装置生焦量高,负荷调整频繁,上述3次对比试验也出现装置负荷、掺渣比、主风量不同的情况,根据分析检测结果得出结论。
1)SNAR助剂对烟气中硫酸气溶胶与SO3能起到脱除作用,去除率在42%~50%,能够降低颗粒物浓度最终折算结果。
2)助剂对NOx的选择还原性效果较好,投用前后由82mg/Nm3降至30mg/Nm3,去除率为63.4%,装置停用余热锅炉SCR段,可节省喷氨与稀释风成本。
3)助剂加注浓度对检测结果与在线分析仪表影响较小,侧面反映出蜡油催化装置原料中硫、氮含量偏低。
4)助剂投用对再生出口烟气颗粒物浓度并无影响,不会造成因烟气颗粒物浓度升高影响烟机及余热锅炉的长周期问题。
长按图片扫码即可查看电子期刊免费阅读全部文章
流程工业
化工装置开车中法兰螺栓 “热紧”“冷紧” 操作存争议,王鲁君在研究中指出,高温下螺栓应力松弛短期内可忽略,且法兰与螺栓膨胀差异使紧固力自动增大,人为热紧有害;低温下冷紧理论必要但实际影响可通过保冷规避,规范未明确要求时无需执行。
2025-12-05 王 鲁 君
精馏技术是制药、石化等领域核心传质分离工艺,其操作关键在于塔压、釜温、回流比等核心参数的精准调节。参数波动受进料组成、设备状态等多因素影响,需结合加压 / 减压 / 常压塔型特性针对性调控,以保障物料与气液平衡及产品质量。
2025-12-04 化工工程师
热泵以逆卡诺循环为核心,通过蒸发器、压缩机、冷凝器与膨胀阀完成 “吸热 — 增压 — 放热 — 减压” 循环,以少量电能搬运环境热量,能效比显著高于传统电采暖。园区常用空气源、地源、污水源三类热泵,应结合气候、场地、负荷与投资回报综合选型,实现绿色低碳与长周期高效运行。
2025-12-03 化工工程师
2026-04-02
2026-04-08
2026-04-07
2026-04-07
2026-04-03
2026-04-13
2026-04-04
工业是节能降碳的重点领域,也是实现“3060”碳达峰碳中和目标的关键。党的二十大报告明确提出,积极稳妥推进碳达峰碳中和,推进降碳、减污、扩绿、增长,完善能源消耗总量和强度调控,重点控制化石能源消费,逐步转向碳排放总量和强度“双控”制度。为了回顾 2023 年工业企业在节能降碳、绿色可持续发展方面的成就,了解当下的创新技术和应用,《流程工业》编辑部在 2024 年第一期特别策划了“工业碳中和”专题,邀请了一批国内外优秀的工业企业分享观点和产业实践,为广大的流程工业企业提供绿色可持续发展的启迪和借鉴。
作者:本刊编辑部
评论
加载更多