一、生产工艺流程示意图
生产工艺流程示意图通常在生产方法与规模确定后开始设计,是呈现生产工艺过程的定性图纸,需在生产路线确定、物料计算前完成。它需标出物料从原料到产品的转化过程与流向,以及所用的化工过程与设备,后续的物料衡算、能量衡算和设备设计选型,均以此为基础。这类示意图包含两种形式:
1.工艺流程框图
工艺流程框图以方框、圆框(或椭圆框)区分单元过程与物料,以箭头表示物料和载能介质的流向,同时辅以文字说明。它是物料衡算、设备选型、公用工程规划及车间布置等工作的基础,需在设计过程中持续优化完善。如下图:

利用氟钛酸钾生产线含铁废水制备聚合氯化硫酸铁铝并联产冰晶石的流程示意图
2.工艺流程简图
工艺流程简图由物料流程与设备组成,包含以几何图形呈现的设备示意图、设备间的竖向关系、全流程原辅料、中间体及三废的名称与流向,同时配有必要的文字注释。如下图:

某硬胶囊剂生产工艺流程简图
二、工艺物料流程图
工艺物料流程图生成于物料衡算与热量衡算完成之后,以图形结合表格的形式呈现物料计算结果。它能明确车间内物料组成与量的变化,间歇操作以批或日为单位,连续操作以小时为单位。从工艺流程示意图到物料流程图,工艺设计完成了从定性到定量的转变。这一图纸是初步设计的核心成果,需编入初步设计说明书,各车间的物料流程图完成后,还可进一步绘制全厂物料平衡图。如下图:

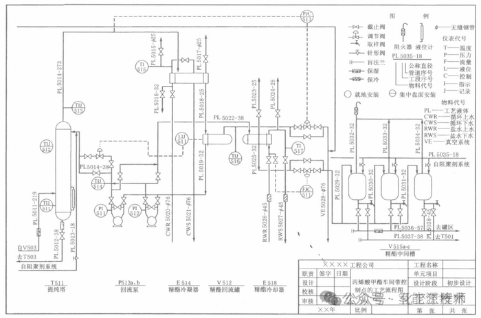
三、带控制点的工艺流程图
带控制点的工艺流程图需在设备设计与控制方案确定后绘制,初步设计阶段提交物料流程图时,也需同步提交这一图纸。它需呈现所有工艺设备、管线、阀门等部件,同时标注温度、压力等工艺参数的测量点与自动控制方案,通常由工艺与自控专业人员合作完成,能清晰展现设计的完整面貌。如下图:

丙烯酸甲酯车间带控制点的工艺流程图
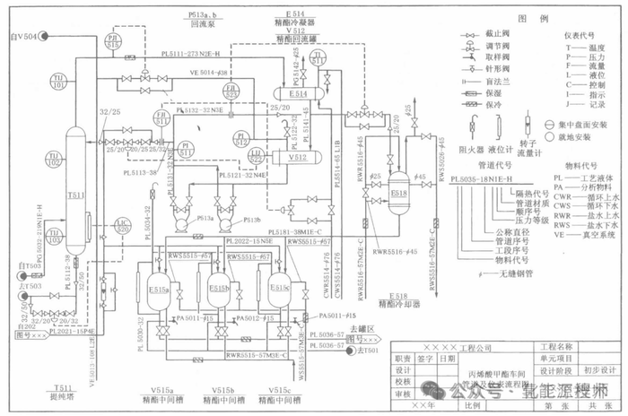
四、管道及仪表流程图
管道及仪表流程图的设计处于施工图设计阶段,需在前期图纸基础上进一步完善补充。它要呈现全部设备、工艺物料管线与辅助管线,包括开停车、维修、取样等场景所需的管线与管件,同时详细标注测量、调节及控制器的安装位置与功能代号。这一图纸综合了工艺、设备、管道布置与自控设计的成果,是化工工程设计中最重要的图纸之一,既是施工依据,也为企业管理、试运、操作及维修等环节提供完整技术支持。如下图:

丙烯酸甲酯车间管道及仪表流程图
文章内容来源化工工程师,流程工业整理编辑,责任编辑:胡静,审核人:李峥
版权声明∶转载流程工业网内容,请在正文上方注明来源和作者,且不得对内容作实质性改动;微信公众号、头条号等新媒体平台,转载请联系授权。邮箱∶process@vogel.com.cn,电话:16601379371(同微信)
蒸汽管道上的 “弯段” 实为膨胀节,并非设计冗余。因蒸汽管道冷热交替时会热胀冷缩,1 米管升温 600℃可膨胀 7-8mm,长管道易产生致命应力。膨胀节能吸收轴向 / 横向变形,还可躲避梁柱,且需按国标计算补偿量、冷拉安装,电厂 / 化工常用专业软件模拟设计。
2025-12-15
天津大学姜忠义、石家福团队在《化工学报》系统阐释化工 “新三传”(电子、质子、分子传递)理论,其核心机制适配光 / 电催化、生物催化等前沿领域。该理论通过单独优化与协同强化策略,已在制氢、CO₂还原等多场景落地,为化工绿色高端转型提供关键学术支撑。
2025-12-11 化工工程师
本文聚焦煤气化掺烧高浓度碳氢化合物技术,阐述其理论基础、试验研究成果,结合煤浆给料 / 制备系统 A 的工业案例,验证该技术在提升煤气化效率、降低成本与污染方面的优势,分析应用挑战与解决方案,指出其未来发展趋势与创新方向,为行业应用提供参考。
2025-12-12 周胜利
2026-05-09
2026-05-07
2026-05-11
2026-05-09
2026-05-06
2026-05-14
2026-04-29
工业是节能降碳的重点领域,也是实现“3060”碳达峰碳中和目标的关键。党的二十大报告明确提出,积极稳妥推进碳达峰碳中和,推进降碳、减污、扩绿、增长,完善能源消耗总量和强度调控,重点控制化石能源消费,逐步转向碳排放总量和强度“双控”制度。为了回顾 2023 年工业企业在节能降碳、绿色可持续发展方面的成就,了解当下的创新技术和应用,《流程工业》编辑部在 2024 年第一期特别策划了“工业碳中和”专题,邀请了一批国内外优秀的工业企业分享观点和产业实践,为广大的流程工业企业提供绿色可持续发展的启迪和借鉴。
作者:本刊编辑部
评论
加载更多