1、乙烯产业链流程图

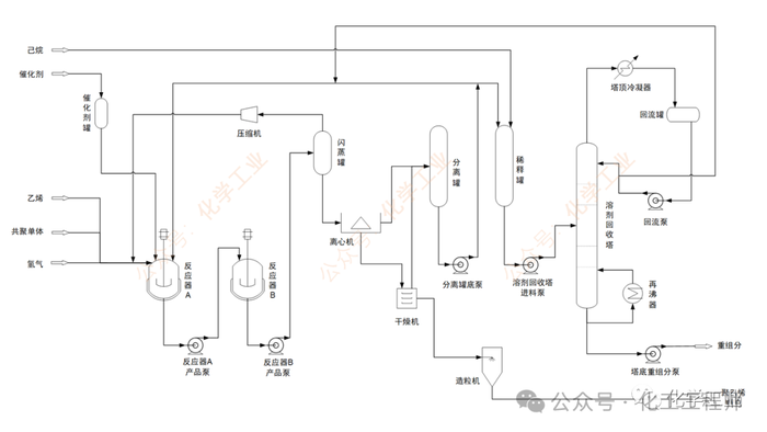
2、聚乙烯工艺流程图—CX技术

3、聚乙烯工艺流程图—Hostalen技术

4、聚乙烯工艺流程图—Innovese技术

5、聚乙烯工艺流程图—Chevron Phillips技术

6、聚乙烯工艺流程图—Unipol技术

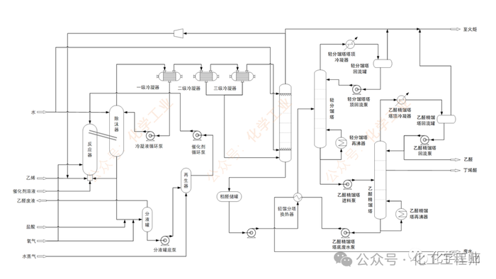
7、乙醛工艺流程图

8、醋酸工艺流程图

文章内容来源化工工程师,流程工业整理编辑,责任编辑:胡静,审核人:李峥
润滑脂由基础油、稠化剂、添加剂构成,按稠化剂可分为锂基、钙基等多类,各有适配场景。核心性能指标含锥入度、滴点等,选脂需综合工作温度、环境、负荷等因素,且不同类型脂需注意相容性,避免混合使用。
2025-12-25 设备运维
管道多采用圆形截面,核心源于其均匀受力、流动阻力小、制造安装经济的优势。圆形可分散内外部压力,无应力集中点,相同材料用量下截面积最大,且便于标准化生产与连接。通风管道选方形则是为贴合建筑空间、适配矩形风口,低压场景下无需优先考虑强度。
2025-12-24 设备运维
本文系统梳理 DCS 系统维护人员核心职责,涵盖控制室、计算机、控制站等维护管理要求,明确日常及定期巡检流程,详解大修维护步骤、故障处理方案、组态修改下载规范及 UPS 维护要点,为工业 DCS 系统稳定运行提供全面实操指导。
2025-12-23 化工工程师
2026-05-09
2026-05-07
2026-05-11
2026-05-09
2026-05-06
2026-05-14
2026-04-29
工业是节能降碳的重点领域,也是实现“3060”碳达峰碳中和目标的关键。党的二十大报告明确提出,积极稳妥推进碳达峰碳中和,推进降碳、减污、扩绿、增长,完善能源消耗总量和强度调控,重点控制化石能源消费,逐步转向碳排放总量和强度“双控”制度。为了回顾 2023 年工业企业在节能降碳、绿色可持续发展方面的成就,了解当下的创新技术和应用,《流程工业》编辑部在 2024 年第一期特别策划了“工业碳中和”专题,邀请了一批国内外优秀的工业企业分享观点和产业实践,为广大的流程工业企业提供绿色可持续发展的启迪和借鉴。
作者:本刊编辑部
评论
加载更多